Завод «Сибэнерготерм»

Трубы дымовые. Одностенная система. Топливо: газ/дизель

 
 

Труба одностенная  

D 115 130 150 180 200 230 250 280 300 330 350
L 1000/500/330
H 945/445/275
Z' 45
Z 55

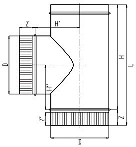
Тройник проходной одностенный 90 град

  

D 115 130 150 180 200 230 250 280 300 330 350
L 335 350 370 400 420 450 470 500 520 550 570
H 280 295 315 345 365 395 415 445 465 495 515
H' 113 120 130 145 155 170 180 195 205 220 230
H'' 113 120 130 145 155 170 180 195 205 220 230
Z' 45
Z 55

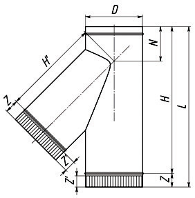
Тройник проходной одностенный 45 град

  

D 115 130 150 180 200 230 250 280 300 330 350
L 490 510 540 580 610 650 680 720 750 795 820
N 115 120 125 130 135 140 145 150 155 160 165
H 435 455 485 525 555 595 625 665 695 740 765
H' 255 275 300 335 360 395 420 455 480 515 540
Z' 45
Z 55

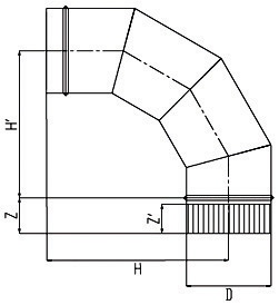
Отвод одностенный 90 град

  

D 115 130 150 180 200 230 250 280 300 330 350
H 250 260 270 285 295 310 320 345 355 380 390
H' 195 205 215 230 240 255 265 290 300 325 335
Z' 45
Z 55
l' 105 110 115 120 125 130 135 145 150 160 165

Отвод одностенный 45 град

  

D 115 130 150 180 200 230 250 280 300 330 350
H 120 125 130 135 140 145 150 155 160 170 175
H' 65 70 75 80 85 90 95 100 105 115 120
Z' 45
Z 55
l' 120 125 130 135 140 145 150 155 160 170 175

Конденсатосборник

 

D 115 130 150 180 200 230 250 280 300 330 350
L 130
H 100

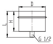
Крышка ревизии

  

D 115 130 150 180 200 230 250 280 300 330 350
L 85
H 50
 

Вы можете ознакомиться с другой продукцией нашего завода:

котлы на твердом топливе

угольные котлы

комбинированные котлы


О заводе  |  Каталог продукции  |  Модульные котельные  |  Уголь  |  Где купить  |  Металлообработка
Цены  |  Новости  |  Статьи  |  Для дилеров  |  Контакты
  На главную   Написать нам
    О ЗАВОДЕ
    КАТАЛОГ ПРОДУКЦИИ
    МОДУЛЬНЫЕ КОТЕЛЬНЫЕ
    УГОЛЬ
    МЕТАЛЛООБРАБОТКА
    ЦЕНЫ
    НОВОСТИ
    СТАТЬИ
    ДЛЯ ДИЛЕРОВ
    ГДЕ КУПИТЬ
КОНТАКТЫ

Завод 
«Сибэнерготерм»

Сайт Прометей™
https://prometey54.ru

Информационная линия для клиентов:
8-800-100-3212
(звонок по России бесплатный)
По вопросам сотрудничества: (383) 334-08-00

Отдел продаж
т. (383) 325-05-38,
(383) 334-08-04
e-mail:
prometey@nzko.su

Отдел металлообработки:
e-mail:
metall@nzko.su

Отдел продаж модульных котельных:
e-mail:
sergey@nzko.su

Отдел технической поддержки:
e-mail:
servis@nzko.su

Наши партнеры

  © 2026 Завод «Сибэнерготерм»    
Продвижение сайта DirectLine   Создание сайта Cosmos.web