|
Труба двустенная
|
|
| D |
115 |
130 |
150 |
180 |
200 |
230 |
250 |
280 |
300 |
330 |
350 |
| Dн (С=30мм) |
175 |
190 |
210 |
240 |
260 |
290 |
310 |
340 |
360 |
390 |
410 |
| L |
1000/500/330 |
| H |
945/445/275 |
| Z' |
45 |
| Z |
55 | |
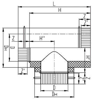
| Тройник проходной двустенный 90град |
|
|
|
| D |
115 |
130 |
150 |
180 |
200 |
230 |
250 |
280 |
300 |
330 |
350 |
| Dн (С=30мм) |
175 |
190 |
210 |
240 |
260 |
290 |
310 |
340 |
360 |
390 |
410 |
| L |
335 |
350 |
370 |
400 |
420 |
450 |
470 |
500 |
520 |
550 |
570 |
| H |
280 |
295 |
315 |
345 |
365 |
395 |
415 |
445 |
465 |
495 |
515 |
| H' |
113 |
120 |
130 |
145 |
155 |
170 |
180 |
195 |
205 |
220 |
230 |
| H'' |
113 |
120 |
130 |
145 |
155 |
170 |
180 |
195 |
205 |
220 |
230 |
| Z' |
45 |
| Z |
55 | |
| Тройник проходной двустенный 45 град |
|
|
|
| D |
115 |
130 |
150 |
180 |
200 |
230 |
250 |
280 |
300 |
330 |
350 |
| Dн (С=30мм) |
175 |
190 |
210 |
240 |
260 |
290 |
310 |
340 |
360 |
390 |
410 |
| L |
490 |
510 |
540 |
580 |
610 |
650 |
680 |
720 |
750 |
795 |
820 |
| N |
115 |
120 |
125 |
130 |
135 |
140 |
145 |
150 |
155 |
160 |
165 |
| H |
435 |
455 |
485 |
525 |
555 |
595 |
625 |
665 |
695 |
740 |
765 |
| H' |
255 |
275 |
300 |
335 |
360 |
395 |
420 |
455 |
480 |
515 |
540 |
| Z' |
45 |
| Z |
55 | |
|
Отвод двустенный 90 град |
|
|
|
| D |
115 |
130 |
150 |
180 |
200 |
230 |
250 |
280 |
300 |
330 |
350 |
| Dн (С=30мм) |
175 |
190 |
210 |
240 |
260 |
290 |
310 |
340 |
360 |
390 |
410 |
| H |
250 |
260 |
270 |
285 |
295 |
310 |
320 |
345 |
355 |
380 |
390 |
| H' |
195 |
205 |
215 |
230 |
240 |
255 |
265 |
290 |
300 |
325 |
335 |
| Z' |
45 |
| Z |
55 |
| l' |
105 |
110 |
115 |
120 |
125 |
130 |
135 |
145 |
150 |
160 |
165 | |
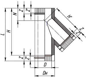
| Отвод двустенный 45 град |
|
|
|
| D |
115 |
130 |
150 |
180 |
200 |
230 |
250 |
280 |
300 |
330 |
350 |
| Dн (С=30мм) |
175 |
190 |
210 |
240 |
260 |
290 |
310 |
340 |
360 |
390 |
410 |
| H |
120 |
125 |
130 |
135 |
140 |
145 |
150 |
155 |
160 |
170 |
175 |
| H' |
65 |
70 |
75 |
80 |
85 |
90 |
95 |
100 |
105 |
115 |
120 |
| Z' |
45 |
| Z |
55 |
| l' |
120 |
125 |
130 |
135 |
140 |
145 |
150 |
155 |
160 |
170 |
175 | |
|
Окончание коническое |
|
|
|
| D |
115 |
130 |
150 |
180 |
200 |
230 |
250 |
280 |
300 |
330 |
350 |
| Dн (С=30мм) |
175 |
190 |
210 |
240 |
260 |
290 |
310 |
340 |
360 |
390 |
410 |
| H |
330 |
| H' |
275 |
| Z' |
45 |
| Z |
55 | |
|
Конденсатосборник |
|
|
|
| D |
115 |
130 |
150 |
180 |
200 |
230 |
250 |
280 |
300 |
330 |
350 |
| Dн (С=30мм) |
175 |
190 |
210 |
240 |
260 |
290 |
310 |
340 |
360 |
390 |
410 |
| L |
130 |
| H |
100 |
| H' |
45 |
| Z' |
45 |
| Z |
55 | |
|
Крышка ревизии |
|
|
|
| D |
115 |
130 |
150 |
180 |
200 |
230 |
250 |
280 |
300 |
330 |
350 |
| Dн (С=30мм) |
175 |
190 |
210 |
240 |
260 |
290 |
310 |
340 |
360 |
390 |
410 |
| L |
100 |
| H |
45 |
| Z' |
45 |
| Z |
55 | |
|
|
Вы можете ознакомиться с другой продукцией нашего завода:
твердотопливные котлы отопления
котлы на дровах
дымовые трубы |
|