Завод «Сибэнерготерм»

Трубы дымовые. Двустенная система. Твердое топливо

 

Труба двустенная

Труба двустенная

D 115 130 150 180 200 230 250 280 300 330 350
Dн (С=65мм) 245 260 280 310 330 360 380 410 430 460 480
L 1000/500/330
H 945/445/275
Z' 45
Z 55

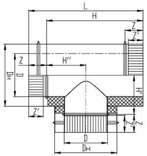
Тройник проходной двустенный 90 град

Тройник проходной двустенный 90 град

D 115 130 150 180 200 230 250 280 300 330 350
Dн (С=65мм) 245 260 280 310 330 360 380 410 430 460 480
L 405 420 440 470 490 520 540 570 590 620 640
H 350 365 385 415 435 465 485 515 535 565 585
H' 148 155 165 180 190 205 215 230 240 255 265
H'' 148 155 165 180 190 205 215 230 240 255 265
Z' 45
Z 55

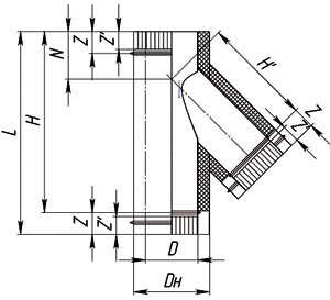
Тройник проходной двустенный 45 град

D 115 130 150 180 200 230 250 280 300 330 350
Dн (С=65мм) 245 260 280 310 330 360 380 410 430 460 480
L 590 610 640 680 710 750 780 820 850 890 920
N 130 135 140 145 150 155 160 165 170 175 180
H 535 555 585 625 655 695 725 765 795 835 865
H' 340 360 385 420 445 480 505 540 565 600 625
Z' 45
Z 55

Отвод двустенный 90 град

D 115 130 150 180 200 230 250 280 300 330 350
Dн (С=65мм) 245 260 280 310 330 360 380 410 430 460 480
H 285 295 310 320 330 345 355 380 390 415 425
H' 230 240 255 265 275 290 300 325 335 360 370
Z' 45
Z 55
l' 120 125

130

135

140

145

150

160

165

175

180

Отвод двустенный 45 град

Отвод двустенный 45 град

D 115 130 150 180 200 230 250 280 300 330 350
Dн (С=65мм) 245 260 280 310 330 360 380 410 430 460 480
H 135 140 145 150 155 160 165 170 175 185 190
H' 80 85 90 95 100 105 110 115 120 130 135
Z' 45
Z 55
l' 135 140 145 150 155 160 165 170 175 185 190

Окончание коническое

Окончание коническое

D 115 130 150 180 200 230 250 280 300 330 350
Dн (С=65мм) 245 260 280 310 330 360 380 410 430 460 480
H 330
H' 275
Z' 45
Z 55

Конденсатосборник

D 115 130 150 180 200 230 250 280 300 330 350
Dн (С=65мм) 245 260 280 310 330 360 380 410 430 460 480
L 130
H 100
H' 45
Z' 45
Z 55

Крышка ревизии

D 115 130 150 180 200 230 250 280 300 330 350
Dн (С=65мм) 245 260 280 310 330 360 380 410 430 460 480
L 100
H 45
Z' 45
Z 55

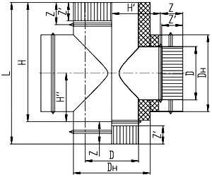
Тройник с ревизией двустенный

 

D 115 130 150 180 200 230 250 280 300 330 350
Dн (С=65мм) 245 260 280 310 330 360 380 410 430 460 480
L 405 420 440 470 490 520 540 570 590 620 640
H 350 365 385 415 435 465 485 515 535 565 585
H' 148 155 165 180 190 205 215 230 240 255 265
H'' 148 155 165 180 190 205 215 230 240 255 265
Z' 45
Z 55

Вы можете ознакомиться с другой продукцией нашего завода:

котлы отопления на твердом топливе

модульные котельные

комбинированные котлы

К началу

О заводе  |  Каталог продукции  |  Модульные котельные  |  Уголь  |  Где купить  |  Металлообработка
Цены  |  Новости  |  Статьи  |  Для дилеров  |  Контакты
  На главную   Написать нам
    О ЗАВОДЕ
    КАТАЛОГ ПРОДУКЦИИ
    МОДУЛЬНЫЕ КОТЕЛЬНЫЕ
    УГОЛЬ
    МЕТАЛЛООБРАБОТКА
    ЦЕНЫ
    НОВОСТИ
    СТАТЬИ
    ДЛЯ ДИЛЕРОВ
    ГДЕ КУПИТЬ
КОНТАКТЫ

Завод 
«Сибэнерготерм»

Сайт Прометей™
https://prometey54.ru

Информационная линия для клиентов:
8-800-100-3212
(звонок по России бесплатный)
По вопросам сотрудничества: (383) 334-08-00

Отдел продаж
т. (383) 325-05-38,
(383) 334-08-04
e-mail:
prometey@nzko.su

Отдел металлообработки:
e-mail:
metall@nzko.su

Отдел продаж модульных котельных:
e-mail:
sergey@nzko.su

Отдел технической поддержки:
e-mail:
servis@nzko.su

Наши партнеры

  © 2026 Завод «Сибэнерготерм»    
Продвижение сайта DirectLine   Создание сайта Cosmos.web